图知网
搜索
首页
热门推荐
图片分类
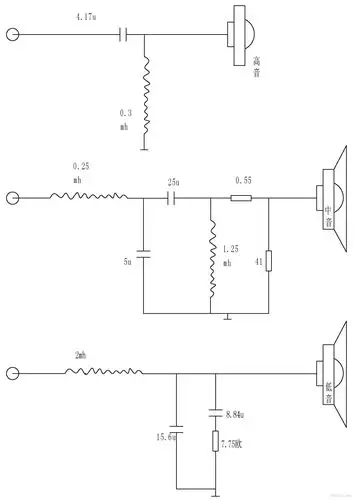
音箱分频器原理(音箱分频器的原理)
下载原图
相关图片
diy制作三分频分频器设计
jblkp6055音箱15寸音响价格美丽舞台会议音箱ktv音箱
w12三分频密闭箱.jpg
三分频扬声器系统分频器电感的精确设计
la325无源三分频梯形音箱 综述
音响分频器
为你推荐
周杰伦壁纸图片
扇
jojo,国语日语对比,白金吸尘器,白金之星"吸收"正义
《23,两只老虎,钢琴谱》独奏版,法国儿歌(五线谱 钢琴曲 指法)-弹吧
华谊兄弟电影世界大门口
p data-id="gnbuy89zo1"> b>东风5型柴油机车 /b>(df5),是 a target=
哆啦a梦简笔画全家福彩色
两种往复运动距离可调的机构对比