图知网
搜索
首页
热门推荐
图片分类
姬玉露玉露多肉十二植物楼兰白斑日月潭花卉多肉植物
下载原图
相关图片
多肉玉露
十二卷多肉植物玉露杂谈
白斑玉露 多肉植物 玉露十二卷 萌肉肉组合盆栽 室内花卉 陌上花
玉露多肉
十二卷多肉植物玉露杂谈
十二卷多肉植物玉露杂谈
为你推荐
壁纸 动物 鱼 鱼类 1080_2395 竖版 竖屏 手机
原创从演员到监制李佳给靳东带来多大的帮助
英国首次曝光圆明园被毁前的照片美到轰动世界
欧洲中世纪晚礼服外贸长袖印花气质宫廷喇叭万圣节服饰
七夕孤寡青蛙90头像 七夕孤寡青蛙90头像
地磅基础该怎么做
小台灯床头夹子桌面两用寝室宿舍卧室床头柜阅读灯迷你小台灯家用读书
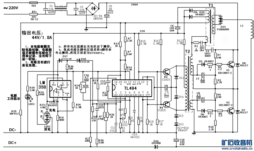
3842充电器电路图