图知网
搜索
首页
热门推荐
图片分类
如何将直流电压18到21v升到24v
下载原图
相关图片
请问这个电路图的两个电压表分别测哪个的?
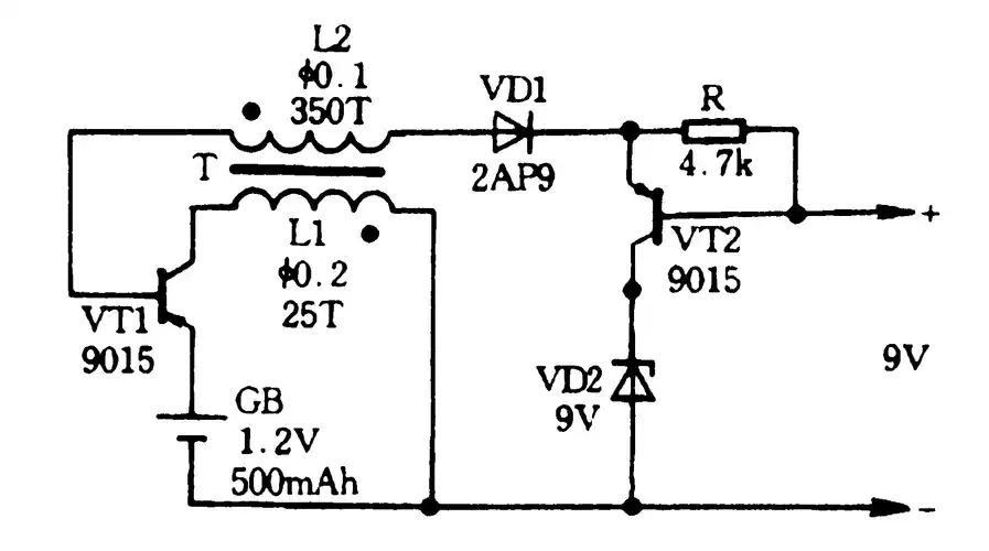
适合万用表使用的直流升压器电路
简易直流电压表电路原理图
交直流3位数字电压表电路
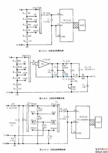
万用表交流直流电压测量电路图
电流电压表法测量直流电阻原理图
为你推荐
别了温哥华真的意识好超前
敦煌飞天古风真人壁纸:唯美大气
一周外媒动物图集给你一个熊抱
凤凰纹身图片_手臂新传统纹身图案
金钱龟活体纯种
11566 香港的出租车行业存在一定的监管缺失,导致一些出
《新白娘子传奇》播出29年,最帅男配英年早逝,最美
纸短情长尤克里里指弹谱新手向