图知网
搜索
首页
热门推荐
图片分类
迪迦奥特曼跳小鸡恰恰舞
下载原图
相关图片
奥特曼的小鸡不见了,难道是洞里的怪兽把小鸡抓走了吗
奥特曼陪你看汽车碾压解压亲子早教视频,碾压小鸡玩具西瓜小车
泰罗奥特曼把鸡蛋放到鸡窝里能孵化出小鸡吗?
奥特曼和小鸡
史诗战争模拟器1个银河奥特曼vs99名小鸡谁会取胜
奥特曼的小鸡宝宝出来了一只,好萌好可爱,小朋友们送点小红心让另一只
为你推荐
文字控 伤感 黑白
陈蓉4岁还不会说话,却成为了一名主持人,她的双胞胎女儿好可爱_上海
微信表情包制作教程来啦!
对开门冰箱排行榜
q版漫画图片男生
东风小康 东风风光330 2014款 1.5l手动实用型dk15
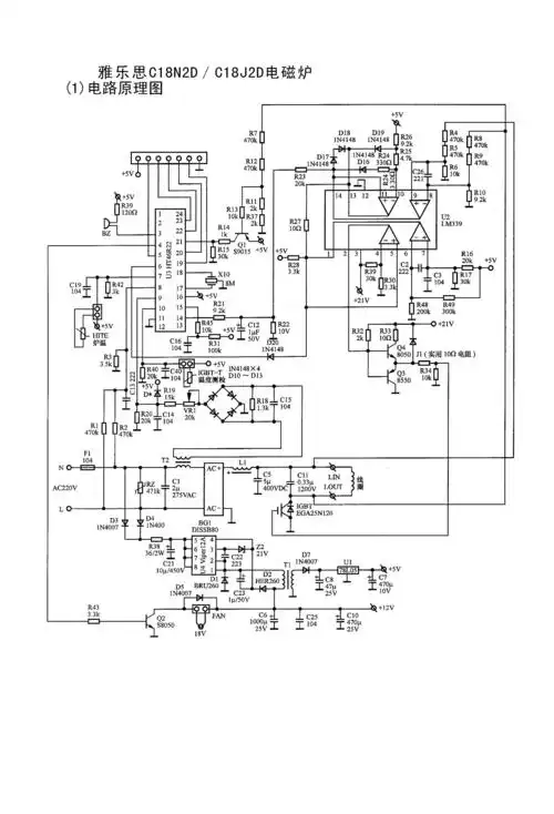
雅乐思电磁炉电原理图?
农村房子卧室装修设计图片大全南北80平