图知网
搜索
首页
热门推荐
图片分类
铜条玻璃柜门
下载原图
相关图片
重庆套装门 带玻璃木门 实木卫生间门 半玻套装门 厨卫极简玻璃门
简约半玻半板卫生间厕所门钢化玻璃洗手间门钛镁铝合金厨房平开门
世纪宝山—半玻璃门系列
大火的"长虹玻璃"门,怎么选才能不踩坑?建议各位注意这6点
淋浴房隔断淋浴房半隔断玻璃门卫生间半墙隔断玻璃屏风干湿分离隔断门
钛合金半玻门 钛美合金半铝板门 铝合金平开门 厨卫玻璃平开门
为你推荐
长门弥彦
狗市上售卖的宠物小狗很漂亮,卖家说头版长里好,你看咋样
在拇指以及第二个脚趾的缝隙上或者是在脚后面三个脚趾中欧长痣的话
尼桑战神gtr高清壁纸图片
可口可乐
几何花卉叶子天鹅图案矢量图服装面料数码印花素材
青少年运动服套装女生春秋季韩版初中学生装宽松长裤休闲卫衣套装
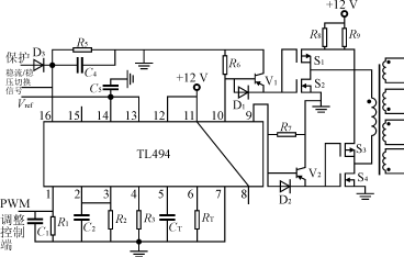
图1 pwm控制电路