图知网
搜索
首页
热门推荐
图片分类
史蒂夫·乔布斯ppt
下载原图
相关图片
756海报印制展板写真喷绘397学校园文化苹果创始人乔布斯简介挂画
苹果公司简介 创始人:斯蒂夫·乔布斯,斯蒂夫·盖瑞·
乔布斯演讲ppt模板
乔布斯设计理念
乔布斯十大名言ppt
史蒂夫.乔布斯ppt
为你推荐
派克峰奥迪报价(派克峰奥迪报价 全球) - 武陵观察网
清澈冰蓝葡萄眼
柳爽莫妮卡吉他谱
武警07式执勤服
彩色的天空与云彩
朋友圈停止营业表情包 - 朋友圈停止营业微信表情包 - 朋友圈停止营业
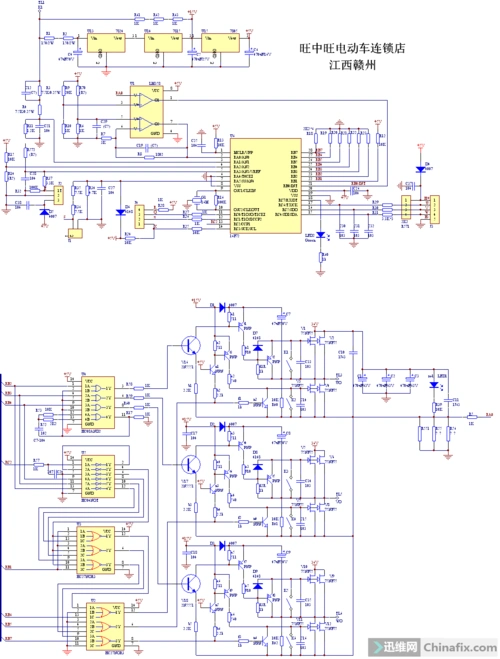
60v350w6管电动车无刷双模控制器电路图原理补充
304商用大容量不锈钢保温奶茶桶 米饭粥桶 带龙头凉茶饮料果汁桶