图知网
搜索
首页
热门推荐
图片分类
全新斯柯达晶锐 代步的两厢车 外观大气 车内紧凑
下载原图
相关图片
大众斯柯达晶锐1万多
相比其它两厢车,斯柯达昕动采用了类似(参数|图片)的设计风格,开
两厢车也要大空间 沈阳斯柯达昕动对比日产骐达谁让人心动?
试驾斯柯达昕动!10万元左右买两厢车,它与飞度系如何选择?
因为心动所以昕动2016款斯柯达昕动用车总结
图片库 斯柯达 昕动
为你推荐
爱你哟比心简笔画教程
女生头像唯美侧脸图片孤单不是与生俱来
恒星
正宗茶杯犬灰泰迪,狗父母双茶可见,包体型.
酒红雷龙-雷龙鱼中的繁殖机器 95名:酒红雷龙 学
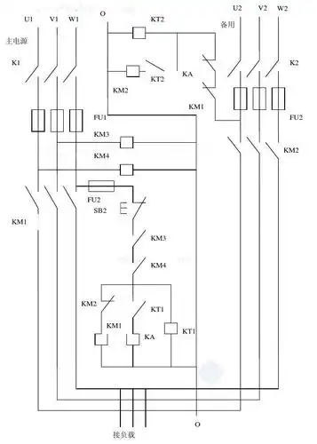
双电源自动切换原理图
朗逸最新参数配置附pdf清晰下载版
在那桃花盛开的地方