图知网
搜索
首页
热门推荐
图片分类
所有分类 工程科技 电子/电路 > 使用2n3055制作20w甲类温暖声功放第1
下载原图
相关图片
[分立后级] 10w 场管单端甲类功放,简约而不简单.
前几天有几位朋友对甲类功放感兴趣,刚好今天有空就设计了一个,自
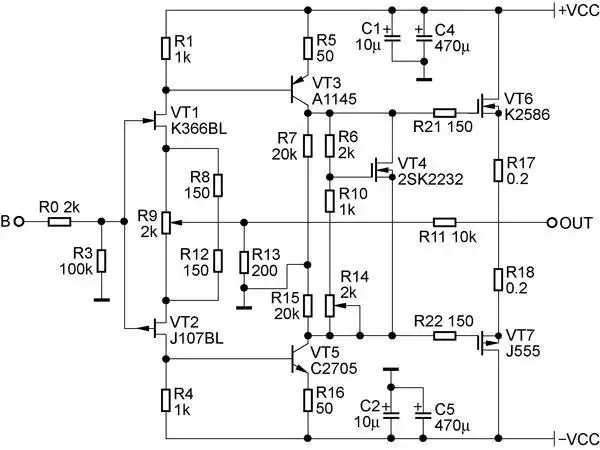
2n3055制作20w甲类暖声功放电路图
简洁至上 靓声功放——打造a30小型发烧级甲类功放
比1969还简单只有三只场效应管的甲类功放
改进型场效应管组成的单端纯甲类功放电路
为你推荐
几笔画出形态各异的各种小动物,孩子绝不能错过,果断存下
刘宇宁发剧组照黄子韬这个动作引发争议网友有什么可牛的
故宫三大殿
【万界神主】澹台月好美,性感妖娆的影魅!司徒天音护夫!
玩偶提线扎辫红衣裙子小女孩提线木偶幼儿园活动益智木偶
备机之选!小米 红米 4a 移动合约版
项目动态:山海湾8号项目是云南城投开发的项目,位于滇池国际会展中心
丧系文字壁纸丧丧的