Warning: session_start(): open(/tmp/sess_1qj6cukvkbpribdqiv3u5j6o8l, O_RDWR) failed: No space left on device (28) in /www/wwwroot/www.tuzhiw.com/config.php on line 13

Warning: session_start(): Failed to read session data: files (path: ) in /www/wwwroot/www.tuzhiw.com/config.php on line 13
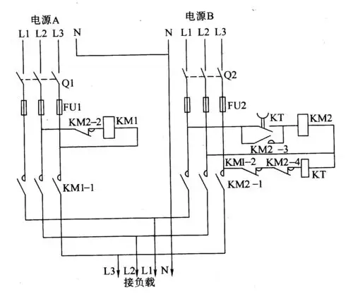
双路电源自动投切电路原理 - 图知网

双路电源自动投切电路原理

相关图片

为你推荐

模型 #pla #狙击手 #吉利服 #特种部队 - 抖音

猫咪怀孕三个月不生,主人担心带去检查,检查结果令人脸红

卡通可爱奋斗的小女孩

琦臻味新疆炒米粉(御驾店)图片

钢琴键简笔画

特巨大游离性脱出腰间盘突出症

柑橘常见的三类畸形果,激素(920)过量,缺硼造成的吗?_营养

火热的天,火热的我,火热的小5.


Warning: file_put_contents(/www/wwwroot/www.tuzhiw.com/cache/image/8e95ab68863ccb1ca0ff0e171af1b905.html): Failed to open stream: No space left on device in /www/wwwroot/www.tuzhiw.com/config.php on line 196