图知网
搜索
首页
热门推荐
图片分类
原纸生产商恒达新材ipo:供应商集中度高 今年原材料成本或大增
下载原图
相关图片
凤生纸业卫生纸原料大轴纸杠纸竹浆原纸批发原浆纸吨 源头工厂
原纸(其他)
厂家直销卫生纸餐巾大轴纸批发 原纸大杠纸
产品中心生活用纸原纸系列本色原纸
浙江金龙复合原纸优质卷筒复合原纸包装复合原纸110g
供应纸杯纸/口杯原纸/一次性口杯原纸/甘蔗浆原纸/pe淋漠原纸
为你推荐
熊本熊简笔画怎么画可爱的熊本熊卡通画画法熊本熊手绘教程
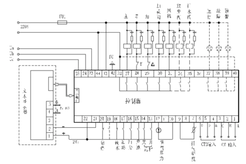
螺杆空压机主控接线图.型号mam-ky12s.采用必重谢!
特警队郭俏男(金晨)英姿飒爽
军装美男
漫步者edifiers2000mkii无线蓝牙hifi音箱多媒体电脑木质音响
男士不锈钢扣头真皮腰带 高端品质 原版鳄鱼纹头层牛皮平滑扣皮带
新车|特供,六座,配置高,全新中大型suv福特领裕试驾