图知网
搜索
首页
热门推荐
图片分类
ta78m05,06,08,09,10,12,15,18,20,24f
下载原图
相关图片
asemi三端正线性稳压器78m05工作原理
asemi线性稳压器78m05的电路图78m05有什么应用
78m05 三端固定正向电压稳定器 5v稳压器
78l05调节器特点:5v正电压调节器输出电流高达100ma最大输入电压为30v
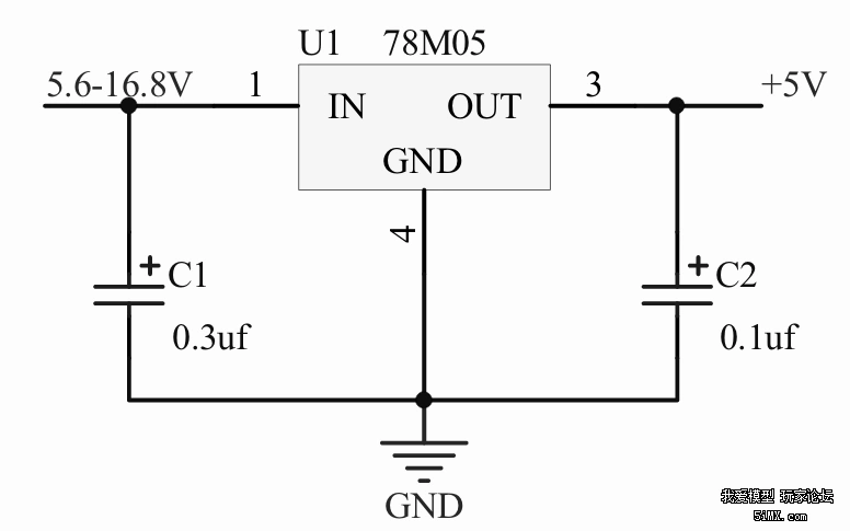
基于78m05搭建的5v电路http://www.zhangfeidz.
哪位有廉价简易的5~6v开关稳压电源电路(航模用的)吗?
为你推荐
好看到爆炸的闺蜜头像
萌妹头像软萌萌粉嫩嫩可爱头像
男人的脚趾,健康的趾甲
如何使用教务系统角色管理配置指定的数据权限及功能权限
儿童手工尖帽子-尖尖帽手工折纸尖礼帽教程
商品佐丹奴(giordano) polo衫 彼尔梦 polo北极熊刺绣莱卡弹力棉珠地
部门协作满意度评分表样表docx2页
小猫咪都喜欢托腮吗