图知网
搜索
首页
热门推荐
图片分类
精镗刀 单刃精镗刀 微调单刃精镗刀 供应微调单刃精镗刀现货批发
下载原图
相关图片
双刃粗镗刀双刃镗刀有两个分布在中心两侧同时切削的刀齿,由于切削时
芜湖ewn微调精镗刀头搪单刃微调浮动镗刀可调式机夹式深孔镗刀bt40内
ob-09单刃镗刀小口径整体硬质非标涂层合金钨钢数控cnc车刀内孔刀
0mm(单刃)小径镗刀整体硬质合金小镗刀
bt40-nbj16微调精镗刀cnc加工中心小径镗刀套装数控刀具
sb固定式 双刃粗镗刀杆粗镗刀杆sd 可非标定做双刃单刃粗镗刀杆
为你推荐
英国 自由行攻略 其实这种系法是温莎和乔治六世
王思聪这辈子做的最受欢迎的两件事创办ig战队第二件你想不到
新款古装新娘结婚头饰凤冠中式礼服秀禾服头
唐朝怀素《自叙帖》(777年),草书 - 七. 怀素《自叙帖》卷(25-30)
许晋亨年龄 30多年前已埋下幸福种子!李嘉欣与许晋亨的豪门爱情路
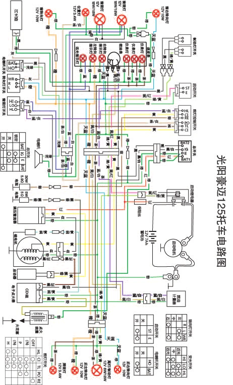
光阳豪迈125摩托车电路图
整箱6盒仰韶酒老友味
台钻结构及故障排除