图知网
搜索
首页
热门推荐
图片分类
工业三相稳压器大功率工业级稳压器sbw50kva
下载原图
相关图片
三端集成稳压器管脚的判断 -解决方案-华强电子网
三相稳压器在摩托车中的应用
三端稳压器怎么接线中间的接地是什么意思最好有线路图
三端稳压器管脚判断_接线图分享
电路工作原理是:普通的三端稳压器ic与高速运放搭配起来,由运放构成
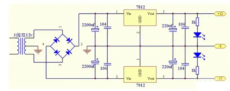
lm7815和7915组成的双15v电源电路图7815稳压电源电路图
为你推荐
50多岁大叔头发花白,剪款飞机头,意外变男神,实在太帅
剃鬓角女生齐耳短发 剃鬓角短发女生发型
【白敬亭×谭松韵】这大概就是——乡村爱情!
中国相声界辈分的完整排序,看看我们熟悉的郭德纲,于谦老师排在哪里呢
赵云简笔画赵云简笔画图片
[分享]楼房私自违建 屋顶搭出300平米钢架
梧桐岛
去看红叶吧,趁着天气好,走哇.