图知网
搜索
首页
热门推荐
图片分类
240_240gif 动态图 动图
下载原图
相关图片
打鼓
595_415gif 动态图 动图
敲锣打鼓的迎来团支书的第一道菜"灭绝鸡爪",如今的"峨嵋派"虽然"沦落
敲gif
国潮锣鼓分散在了商场的各个角落,以契合潮为主题,锣鼓做装饰,好运敲
敲起锣打起鼓! (今天也不知道.
为你推荐
九素刺青纹身手稿第19期半甲手稿素材
银皇后开花吗
男生微信头像低调成熟大气风景
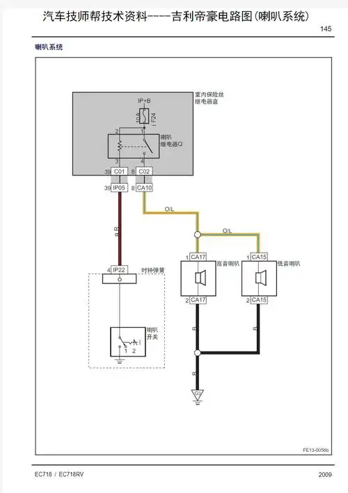
吉利帝豪电路图(喇叭系统)
猫躺在电脑键盘灰度照片高清壁纸
方中信迎61岁生日获爱女贴心送蛋糕15岁符迦晴神似妈妈莫可欣
旱金莲,也叫旱荷花,有"旱地荷花"之一,是一种小型藤本花卉,因为叶子和
枫亭有个老龄麻被大货车碾压血肉模糊