图知网
搜索
首页
热门推荐
图片分类
关口小博士幼儿园2019年春季开始招生啦
下载原图
相关图片
2020年春学期即将结束,蓝天双语幼儿园现面向小朋友开始招生啦!
开始招生啦
尚学堂暑期班开始招生啦!(名额有限)小班制教学(6~8人) - 抖音
莱茵小镇幼儿园2018年春季学期招生啦~_微信h5页面_maka
托管班开始招生啦
暑假班开始招生啦
为你推荐
非常好看的朋友圈封面背景图
《太阳的后裔》宋仲基高清剧照图片桌面壁纸下载
06背景:我急需一张照片制作驾照,海马体翻车之后我在大众点评上偶然
张若昀会选多选#有谁还记得张若昀的《黑狐》啊,小时候跟着爸妈看
胜龙 职业男装批发 男士商务正装休闲西服套装韩版修身深灰结婚西装
华为huawei p50 手机 全网通 【huawei p50 4g】可可茶金8 128g (90天
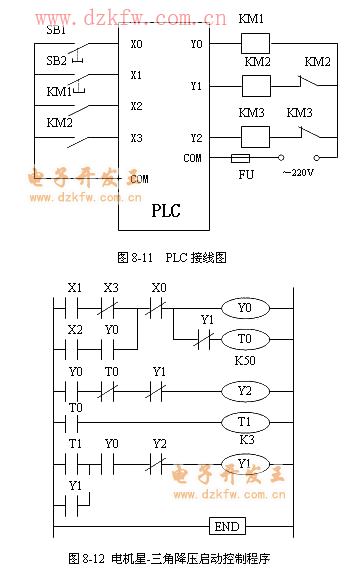
plc控制电机星三角启动梯形图实例
香烟长白山高山流水3mg多少钱一盒?