图知网
搜索
首页
热门推荐
图片分类
戴尔n4010型笔记本不能开机
下载原图
相关图片
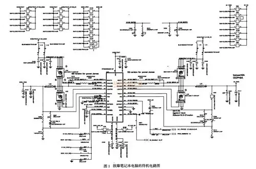
如图1所示为该故障笔记本电脑的待机电路图
典型笔记本电脑的音频功率放大集成电路
笔记本电脑图纸主板原理图电路图戴尔惠普联想东芝宏基华硕索尼
苹果q41a笔记本电脑图纸.pdf
如图1所示为该故障笔记本电脑的待机电路图,根据电路图检测5v_s5,3d3v
ausu 低功h笔记本 vin电路
为你推荐
罗熙表情包gif动态图下载-罗熙表情包大全无水印版-东坡下载
简版家谱 李氏家谱支系表
大日如来是属羊和属猴人的本命佛南无大日如来
闺蜜头像女生头像
孕妈妈每个月肚子是怎样变化的,孕妈妈实拍孕肚变化图,看完后觉得妈妈
定做限区阿里斯顿电热水器温控器温控开关插杆式温控t10515a16a
黑雾
小猫会经常摇尾巴,不同的时候摇摆还很不一样,小猫摇尾巴代表啥