图知网
搜索
首页
热门推荐
图片分类
感应自动干手商用卫生间手机烘干机智能幼儿园家用烘手器
下载原图
相关图片
电机通用控制模块,手动自动,一用一备,接线简单,省时省力
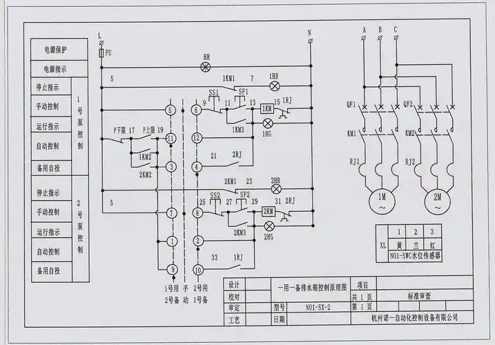
一用一备水位控制箱
排污泵浮球手动自动接线图
单台水泵一用一备一控二单水泵单速双速风机水泵智能自动控制器 单台
控制水泵4kw一用一备配电箱浮球自动污水泵排污强电布线箱
商品详情商品详情手机扫码下单起动器相似商品三相380v工程地下室潜水
为你推荐
情侣头像丨一定要尝试的又甜又好看的情头
红不软桃 70mm以上 3 - 4两
韭菜牛肉
有什么你觉得很好看的配套锁屏和壁纸嘛?
【二手95新】佳能6d 6d2(24-105)(24-70)全画幅单反相机单机 套机
彩绘春季郊外风景矢量素材
发红包的人好帅
软装配色指南清雅娴静的灰绿色怎么搭配