图知网
搜索
首页
热门推荐
图片分类
天津金属钢铁有限公司
下载原图
相关图片
型钢转换支架制作过程中,监理工程师检查发现有h型钢存在拼接不符合
常用的几种钢结构构件的拼接
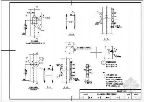
某钢结构h型钢柱拼接节点构造详图 图纸包括:翼缘板用焊接连接,高
常用的几种钢结构【构件的拼接】_手机搜狐网
焊接工艺中关于焊缝的知识点
中山q345高频焊接h型钢价格//厂家直销量大从优
为你推荐
杰佣
小鲜肉帅哥系列,你们喜欢这种"小奶狗"类型的男孩子吗?
红白银笑般若面具万圣节鬼首脸谱邪鬼面罩能面脸罩狂欢节派对道具
粉色系草莓小奶兔童趣手绘美甲
英雄联盟lol头像 召唤师图标补之前漏发的q版系列召唤师头像
这是两架分别悬挂中华人民共和国国旗,香港特区区旗的直升机从空中
南窗听雨(编辑)查看更多>>(341你坐着为王) / 南窗听雨编辑相关歌谱
人头形器口彩陶瓶,现馆藏于甘肃省博物馆,该陶瓶为仰韶文化庙底沟