图知网
搜索
首页
热门推荐
图片分类
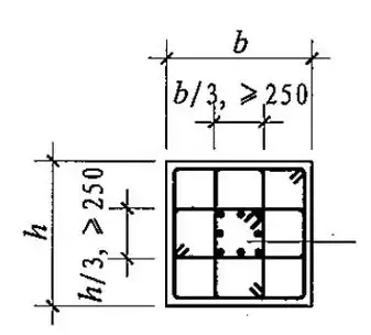
如图承台钢筋四肢箍怎么画?
下载原图
相关图片
不好意思
箍筋4肢箍如何套
为什么我广联达里四肢箍(大箍套小箍)其中小箍的钢筋长度计算方法跟您
请问上柱三肢箍,下柱四肢箍,可以通过绑扎连接纵筋吗?
4肢箍筋内箍怎么计算
5,钢筋的表示方法 钢筋的表示方法 在板上皮 在板下皮
为你推荐
我们的少年时代王源
全智贤生图感叹老了不少脸部干瘪很自然的下垂跟村里大婶无异
纹身推荐##纹身分享##北京周忆刺青
新视角下的欧洲历史:罗马与君士坦丁堡(x)前往东方
学会做孩子们心中的"魔法师"(团结7号)
美丽的洛河,美丽的凌波桥!摄影/红霞
最强者,更是大陆上最顶级的强者,已经达到了九十九级绝世斗罗的境界
漫谈功放桥接功能