图知网
搜索
首页
热门推荐
图片分类
中级维修电工实操线路图
下载原图
相关图片
> 电工考证实际操作考台b板说明:b板考试内容为电动机拖动线路接线三
电工实操新标准
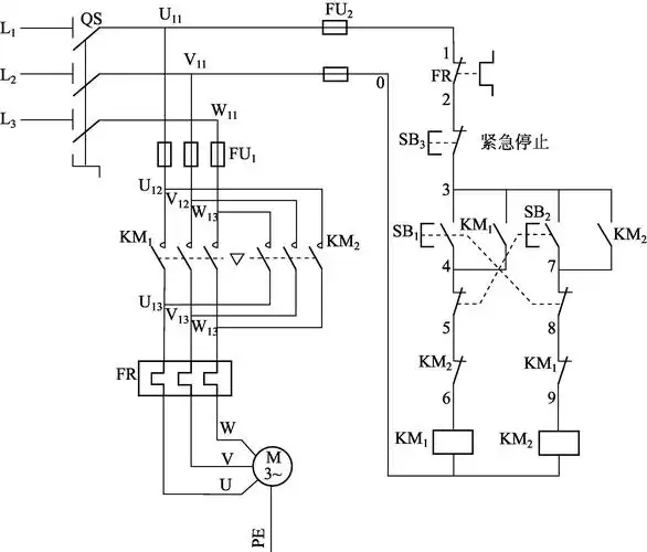
图1-23 三相异步电动机正反转控制接线图
电工考证 实际操作考台b板说明:b板考试内容为电动机拖动线路接线
看懂电路图 电子元器件图片 电工培训教材 电气接线图 维修电工中级
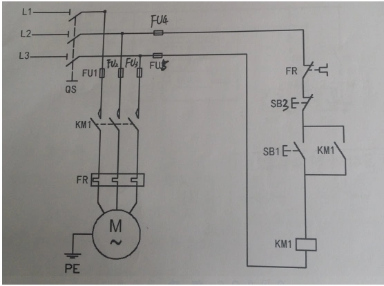
电工接线:电机可逆运行的接法?
为你推荐
南韩尤物李孝利,这身材实在性感!
2019年版龙岩市城区图龙岩市行政区划图正式出版
巧雕墨翠三脚金蟾吊坠
表示心情凌乱图片_微信头像图片大全
高达能天使
变形金刚擎天柱怎么画
耳后长个包,严重不?着急!求解
名楼——黄鹤楼 写美篇 二层的大殿内有着唐代阎伯理的《黄鹤楼记》