图知网
搜索
首页
热门推荐
图片分类
被称为娱乐圈著名"公厕",情史混乱她的集邮史能说三天三夜
下载原图
相关图片
上联|号称奇对!上联:祖冲之圆周率三点一四,网友下联让人叫绝
我在十分钟之内决定投资人民的名义专访利达影业总裁李贡
自贡沿滩不断提升政治素养加强政法队伍教育整顿
庆祝新中国成立60周年感动甘肃人物评选投票启事(图)
《人民的名义》出品人之一李学政,出品人代表陈静柱,李贡等共同出席
利达是为了《人民的名义》而成立的公司,这家公司的创始人名叫李贡,他
为你推荐
中华人民共和国国旗和国徽的设计图案
恐惧之下sans图片恐惧之下sans模拟器2022已更新今日推荐
实拍上海弄堂里的失足女 站街拉客不分昼夜(组图)
歌词化蝶英汉双语
heysteve你要给狗搞个生日派对你脑子没毛病吧史蒂夫哈维脱口秀
可口可乐迷你装 300ml
秋天的第一次温泉76云浮悦天下
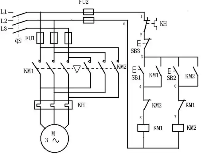
展开全部 如图就这样,两个接触器做好互锁就好.