图知网
搜索
首页
热门推荐
图片分类
自我阉割这事儿安全么
下载原图
相关图片
美强惨二人组:若练神功,必先自宫,就算自宫,未必成功
26岁广西仔挥刀自宫!断离5小时后送医,结果.
为了修炼辟邪剑法岳不群挥刀自宫真是快准狠
妻子连生两胎女娃 男子脸上无光挥刀自宫
原创林平之挥刀自宫为何要偏偏选在大婚前夕你看看岳不群看了啥
爆笑故事欲练神功必先自宫小小年纪就有了练一身本领的心愿
为你推荐
各种花的名称及图片
签名设计#感谢支持#写下你的名字 给你设计
《淡蓝琥珀》全国首映礼 王真儿因共情点成就人物
黄小蕾个人资料简介_写真图片_最新消息动态 - 魅图之家
这件中戏校服真的太美啦.
澳大利亚新南威尔士州遭遇洪水
渭南这家店来一次就上瘾129元抢60分钟特色专业采耳
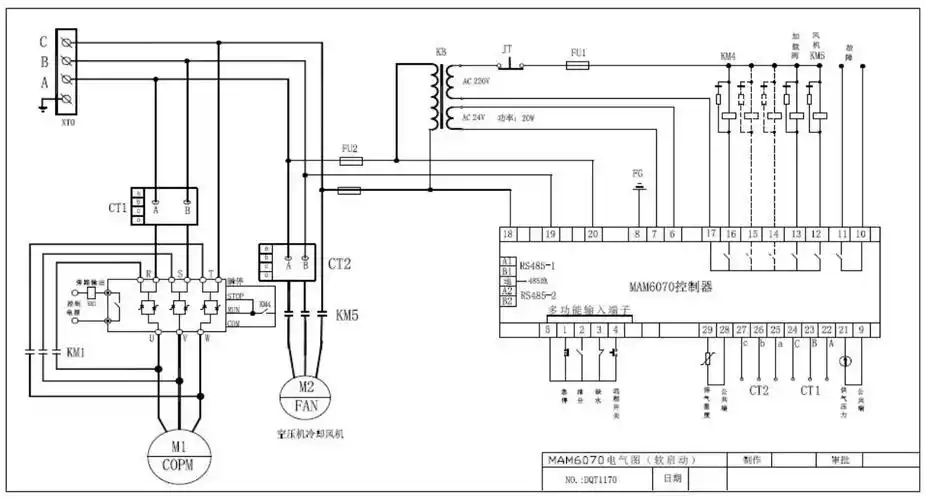
螺杆空压机维修配件mam6070触摸屏一体式控制器