图知网
搜索
首页
热门推荐
图片分类
手语脏话指南
下载原图
相关图片
各种手语手势图片大全
多种基本的手语教程图示常用手势手语图例注解
各种手语手势图片大全
各种手语手势图.pdf
手语中国的手势图片手语手势图片
各种手语 手势图片大全
为你推荐
漫画头像:爱笑的女孩运气不会太差
我们彩绘的鸡蛋漂亮吧
微信动漫头像女生超拽 干掉学霸我称王【点击鼠标右键下载】
高冰种翡翠加龙作品事事顺利尺寸55882mm
前台接待礼仪前台服务礼仪与话术
张艺谋《英雄》分镜完整版
眼睛黄斑7575浑浊变清澈明亮.
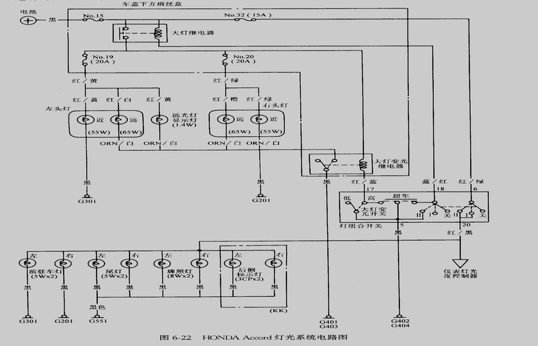
大灯电路图分析