图知网
搜索
首页
热门推荐
图片分类
真不知道该说什麽了, 在一份椰子水没比较好的研究发布后, 那些美国
下载原图
相关图片
热带水椰的水果果实水椰子
水椰
p>水椰(学名: i>nypa fructicans /i> wurmb.
椰子水
coconut with water splash over white — stock ph
水椰
为你推荐
「梨泰院」完结,朴叙俊片场花絮,憋笑卖萌太帅了,心都被融化了
头像欧美
3247缅甸天然翡翠珠配钻石颈链
隗芃萱个性签名怎么写
火影忍者壁纸分享,宇智波斑
女生点刺风格图腾花臂纹身图案
被钢琴老师和家长疯传的大调音阶指法图,超好用!
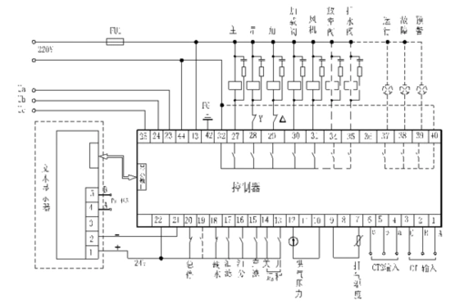
螺杆空压机主控接线图.型号mam-ky12s.采用必重谢!