图知网
搜索
首页
热门推荐
图片分类
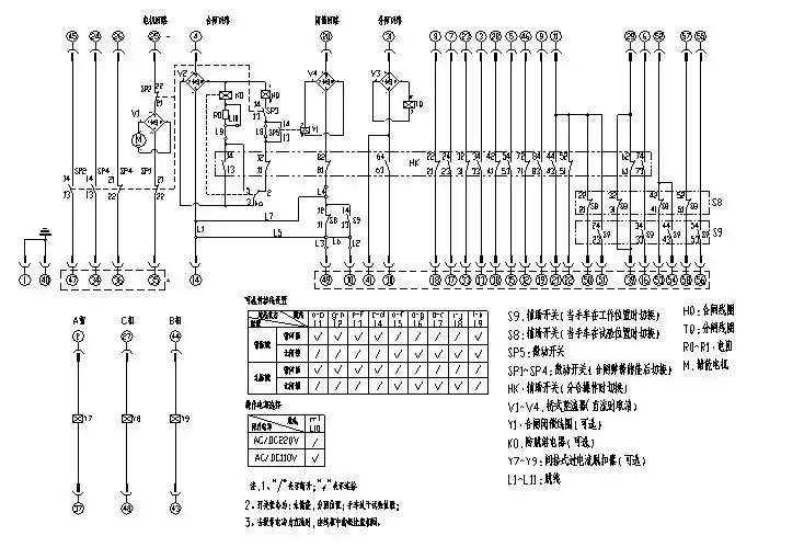
户外真空断路器zw32接线原理图
下载原图
相关图片
还有已知电表40a,家庭用电同时开不超过6000瓦,没空调没太大电器.
空气开关的作用 空气开关接线图
空气源热泵接线图
厂家直销zw37-40.5 固封式户外35kv高压真空断路器
zn63a12户内高压真空断路器
l为断路器总体接线端子板
为你推荐
「星空有约」星月相伴
儿童画
1985年,四川一农民宣布称帝,带千人攻占县医院,将护士纳为妃子
cn212938976u_一种带有滑动折叠功能的沙发骨架
荣耀英雄武器齐天大圣孙悟空地狱火金箍棒可伸缩合金兵器玩具70cm
家具展会空间
女士身上的丘疹——寻常性银屑病 - 皮肤及性传播疾病讨论版 - 爱爱医
20072017丰田汉兰达35l2grfe发动机正时校对