图知网
搜索
首页
热门推荐
图片分类
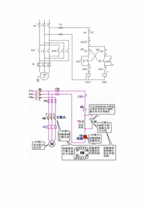
我是小豆:接触器自锁接线方法,实物图解,手把手教你接线
下载原图
相关图片
自锁电路中,就接触器a1(图圈起来部分)那根线接的是什么,求大神告知
电路自锁
继电器常用自锁电路图
fr接在实物的主接线端子上,而右边的部份也就是二次回路,则要接在辅助
继电器常用自锁电路图.doc
电气中的自锁电路怎么理解?还有电动机的正反转联锁是怎么回事?
为你推荐
大连实验校五年一班美术课堂优秀作品微展览———2018秋季《人像画》
精选儿童简笔画,难得的绘画范画,喜欢的收藏
nba球队logo简称英文全称球馆名称
腹肌养成从娃娃抓起:小学生腹肌训练怎么练?
苹果7怎么截屏长图苹果7截屏长图
成语历史故事夸父追日
武器a原版
比鲁斯纹身西装头像斯穿潮牌壁纸