图知网
搜索
首页
热门推荐
图片分类
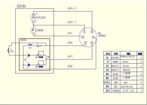
em253与松下a5伺服接线
下载原图
相关图片
送丝机电气接线图_word文档在线阅读与下载_文档网
kr500焊机送丝机接线图
通用otc500s焊机控制线与送丝机的线怎么匹配?都乱套了,我头都大了!
松下伺服电机之直线电机的伺服调试步骤
松下伺服接线图
各位大神,在下最近在搞一个"三菱plc控制松下a4系列伺服电机"项目
为你推荐
男明星帅不帅看寸头?王一博被嘲"土肥圆",朱一龙撞脸梁朝伟
可爱少女心头像仙气动漫32张,小姐姐们都爱的动漫头像!
身高165体重80斤
动火等级的划分三级动火的情况划分之欧阳科创编
我爱罗简笔画 我爱罗简笔画q版
【奇力康旗舰店】尿素霜 护手霜 保湿 嫩肤 防裂 抑菌止痒 120g
xgp《gta:圣安地列斯 最终版》预载开启 21.74gb
南京硬林红杉树小贡