图知网
搜索
首页
热门推荐
图片分类
杨枝甘露 饮品 饮料
下载原图
相关图片
甘露饮生地熟地茵陈黄芩枳壳枇杷叶石斛天冬麦冬炙甘草同仁堂原料
杨枝甘露饮品拍摄 x 喜多多集团_荔枝传媒-站酷zcool
自制网红饮品,杨枝甘露,不加糖,好喝颜值高,夏天喝太安逸了_芒果
奶茶原料_杨枝甘露饮料浓浆 甜品奶茶店水果茶专用商用奶茶1.2kg - 阿
杨枝甘露(热饮)
自制饮品——杨枝甘露,一学就会哦~
为你推荐
20款二层别墅,最受欢迎的层别墅小洋楼,农村简单大气二层小别墅
学画可爱的古装小公主,简单又漂亮的古代人物古装公主简笔画图片大全
家用mpv中的"越野王",2.2t柴油动力 8at,新三菱得利卡真霸气
苹果用一个新总部把中国地产商秒杀成渣
在东北老板的烧烤店里, 就不要惦记什么锡纸金针菇海白豆芽了
市民广场随拍 -活动-台州旅游-台州19楼
按照年龄来排,应该是青儿,黄儿,紫儿,橙儿,蓝儿,绿儿,红儿.
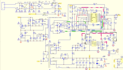
求明纬500wtl494开关电源原理