图知网
搜索
首页
热门推荐
图片分类
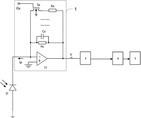
一种光电传感器电路及其光电传感器的制作方法
下载原图
相关图片
光电传感器测速电路原理图中各元件作用,跪求详细描述.
光电传感器的典型应用电路详细说明
拓展训练试用光电传感器设计一个简易路灯控制电路(含有光敏三极管
wych104光电传感器的用法
光电传感器在画原理图中的符号是怎样的?
一种光电检测电路
为你推荐
幼儿简笔画画面具
宇通 客车
颜真卿的书法作品多宝塔碑颜真卿多宝塔碑临摹作品
【荣誉绶带】荣誉绶带品牌,价格 - 阿里巴巴
《升旗仪式》绘画全过程
千里江山局部速写含步骤图
武汉沌口体育中心掠影!gf3记实!
是 库存类型 整单 最快出货时间 4-7天 毛线粗细 普通毛线 毛衫工艺