图知网
搜索
首页
热门推荐
图片分类
梵高画作
下载原图
相关图片
梵高代表作《星空》,《鸢尾花》,《阿尔勒的卧室》,《露天咖啡 - 抖音
「新意·名作欣赏」梵高名作全集之风景画
梵高画作
pajk-梵高:《日月星辰》
梵高
梵高作品
为你推荐
小学生七天早餐分享,妈妈用心安排,有荤有素营养丰富,健康美味
宋茜被传和小5岁欧豪隐婚,双方工作室已火速辟谣_马思纯_合作_感情
当事人孔令辉,丁宁现在过得不好
1920_1080gif 动态图 动图
六步操作就可以得到一件高颜值的翡翠b货!收藏翡翠的你要小心了
2021新款脚指甲贴片夏天防水穿戴夏季直接美甲美甲工具
著名歌唱家乌兰图雅:情殇"爱情乌托邦",失恋后依然坚强
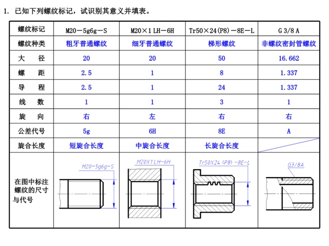
中所示m20粗牙普通外螺纹的错处圈出,将正确的画在下面(包括尺寸标注)