图知网
搜索
首页
热门推荐
图片分类
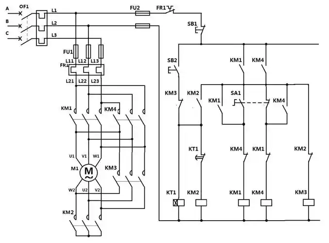
关于建筑图纸的电路问题
下载原图
相关图片
一套完整的家装电气施工图中,均包含有家用配电箱电气系统图,那么配电
画出一电路图,要求在图上
电气插座平面布置图与电气照明平面图一样,都是家装电气施工图中的一
82m长的住宅楼全套电气图-建筑电气施工图-筑龙电气工程论坛
电气施工图深化#电气 #电气施工图 #电气施工图纸 - 抖音
07d706-1体育建筑电气设计安装
为你推荐
旭日东升图片摄影图__自然风景_自然景观_摄影图库_昵图网nipic.com
《甄嬛传》26日登陆乐视网 将与各卫视同步开播
电影《东邪西毒》
笔画搜索佛祖简笔画佛简笔画西方三圣卡通简笔画佛像集佛像简笔画图片
adidas阿迪达斯官方男鞋高帮2021新款透气小白鞋休闲运动休闲鞋
母猫怀孕
小天鹅利润表分析.doc
唇腭裂的辨别及修复方法有哪些