图知网
搜索
首页
热门推荐
图片分类
心理测试:4条鲸鱼尾巴,哪条最好看?测出你身上有什么特殊才华
下载原图
相关图片
座头鲸的尾巴露出水面
鲸鱼尾巴出水,海,日落 壁纸 - 1680x1050
会徽的鲸鱼的尾巴蛇咬自己的尾巴海上生活的动物和鱼类卡通滑稽的怪胎
驼背鲸与冰山的侥幸驼背鲸侥幸座头鲸侥幸与冰山背景鲸鱼尾巴系列拍摄
鲸鱼尾巴,水,海 4k
南极游客遭遇座头鲸 巨型鲸尾令人震撼
为你推荐
我爱你
罗斯威尔事件真相之谜并非外星人美国探测苏联的高空气球
学剪纸从临摹开始 我出图 你临摹.上有同心莲 下有并根藕《佳 - 抖音
白色连裤袜成人秋冬季加绒白色打底裤女外穿加厚保暖一体裤日系甜美米
的花瓶的简笔画,我们先画出一个有造型的花瓶,这个花瓶可以是下面更小
丁香花梅花锁孔明鲁班古典益智解锁解环亲子互动解锁
云南野生化石草小叶正品长白山正宗肾精茶生鲜中药材泡
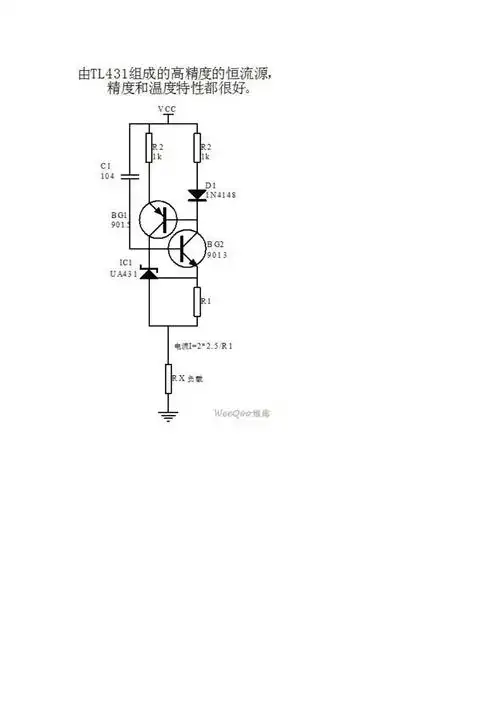
由tl431组成的高精度的恒流源电路图