图知网
搜索
首页
热门推荐
图片分类
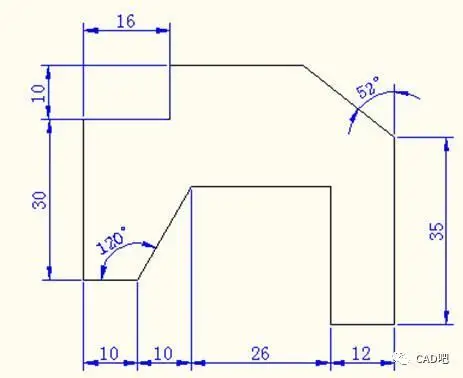
10年制图老年分享cad快速入门攻略,快捷键清单 练习题
下载原图
相关图片
值得收藏的cad练习图不用到处找啦
jpg,cad2000包含图片:效果图包含: 设计说明,原始结构图,拆墙平面图
【免费分享】绝美方案美式效果图 cad施工图方案深化学习案例
这50张cad练习图,足以让你绘图无压力!
cad新手教程:一步一步教你画cad图纸
二室一书房cad设计图分享,这才是室内装修该有的样子!
为你推荐
月球上出现的三眼外星人?2/3_外星人_影视_影视推荐(视频)
袁姗姗真会穿,v领露脐衫配皮裤好飒,165身高穿出两米高气场_身材_皮革
香皂花手捧花玫瑰花束情人节33朵创意礼物圣诞节母亲节送女友闺蜜
微信头像硬糖少女303
四不像履带随车挖爬山虎运输车.4105发动机,145变速箱5 - 抖音
走苦路(三字歌谱)1
曼哈顿手抓球婴儿玩具0一1岁硅胶可咬新生小宝宝3到6个月龄磨牙胶
种子系列 蛇目菊种子批发 当年采 厂家直销 发芽率高 蛇目菊种子价格