图知网
搜索
首页
热门推荐
图片分类
控制三台灯,要求轮流亮五秒 求接线图
下载原图
相关图片
路灯时控箱控制原理图
智能路灯控制图-model
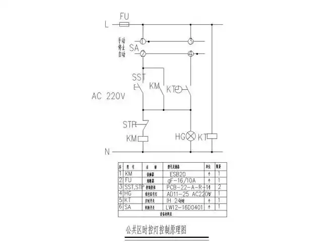
9公共区时控灯控制原理图.jpg
多高(ineless)电源定时器kg316t 微电脑时控开关 路灯时间控制器 220v
接线图其实就是利用时控开关来控制接触器线圈,接触器主触点控制路灯.
低成本定时循环路灯控制电路制造技术
为你推荐
34岁鹿晗近照:现身淄博被偶遇,略显发福了,发型拉低他的颜值
tfboys字
除了已经上映的《大魔王》之外,吴迪飞还在由作者夏茗
2020年5月日历表
便民如何正确使用饮水机一起来学习
mirka磨卡打磨机5寸气动干磨机 汽车钣金腻子打磨砂纸机圆形磨头
《柳毅传书》……廉江市剑清粤剧团 许文杰 黄玉婷(一)
第三步,绘制设计图纸,设计过山车的轨道线路图.