图知网
搜索
首页
热门推荐
图片分类
文档下载 所有分类 工程科技 电子/电路 > 经典大功率开关电源图纸fr
下载原图
相关图片
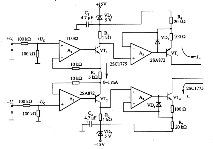
1·51 平衡恒流输出电路
请教专家开炼机,炼胶机三相四线怎么连接
2千瓦全桥软开关直流稳压电源电路
电机正反向控制标准图纸解析
开关电源电路图
为精密模拟电路设计超低噪声正负电源
为你推荐
蔡徐坤留言张子枫:美的哦!不过张子枫的反应确实有点冷!
2021年平凡中的伟大作文素材平凡的暑假作文素材
做了20多年_潮汕_猪杂汤_豆芽_酸菜_美食_糯米_穿搭_老字号_潮汕美食
12期免息0首付分期付款vivo y66i全网通手机y55vivoy66vivoy53a_7折
西双版纳总佛寺始建于公 - 抖音
治疗后反应 ▼ 颈部及枕部淋巴结
2018春节澳洲行之南航a380头等舱报告,cz325 - 飞客茶馆-享此刻 享
玩具火车