图知网
搜索
首页
热门推荐
图片分类
1-25w灯管球泡筒灯电源恒流ic
下载原图
相关图片
x-ray成为正业科技2017营收和净利润的重要支撑点之一
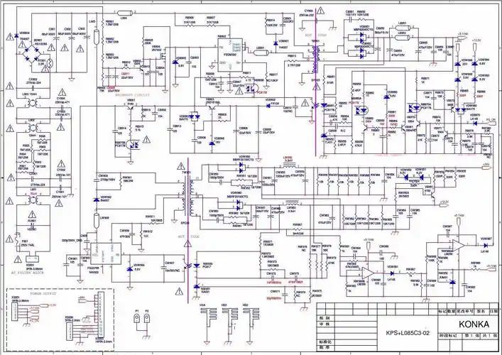
康佳电视机电路图
8002a功放电路图1.jpg
康佳液晶电源原理图35015751(34007787)
info/thread-777769-1-1.html谢谢大家!
非隔离降压芯片bp2832a【原理图 引脚功能 应用电路】 - led驱动ic
为你推荐
调皮可爱小猫咪电脑桌面壁纸大全分享
微信头像贺峻霖
微信头像带字
河神资料页_娱乐资料库_新浪娱乐_新浪网
杰瑞捂嘴哭的表情包
出口货物报关单是c&f价,拼柜出口的,我们没有海运发票,请问怎样办理
举报视频:配备消音器的小口径步枪,发射.22lr口径弹药,靶场射击测试
82万字创作天数5天作品粉丝0收藏人数0 更新中(共1本) 连载中 佛道双