图知网
搜索
首页
热门推荐
图片分类
急停按钮控制电路的制作方法
下载原图
相关图片
急停安全功能输出回路
皮带运输机电路
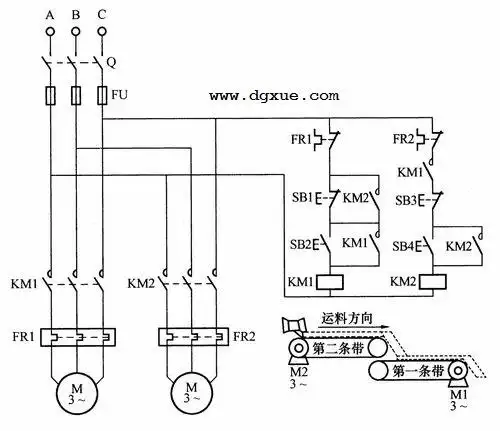
两条皮带运输机控制电路
按下急停按钮sb3,放料阀和皮带同时停止. 4.
cn206720234u_一种急停闭锁开关,用于煤矿的带式输送机有效
一种直流电机的急停自锁电路
为你推荐
王俊凯
发际线美学丨什么样的发际线才是适合自己的?
王嘉尔回归街舞4了
国画欣赏中国画家朱新龙的古代人物画作品展示
手感玉兰花仿真花高档客厅餐桌花假花摆件插花高端轻奢高级感摆设鹿藤
疫情防控对重点人员的闭环管理工作流程图
吸烟男生头像/高冷/忧郁#动漫男头 #男生头像 #优质头像 - 抖音
教您如何分辨历史上著名的三大骑士团之区别