图知网
搜索
首页
热门推荐
图片分类
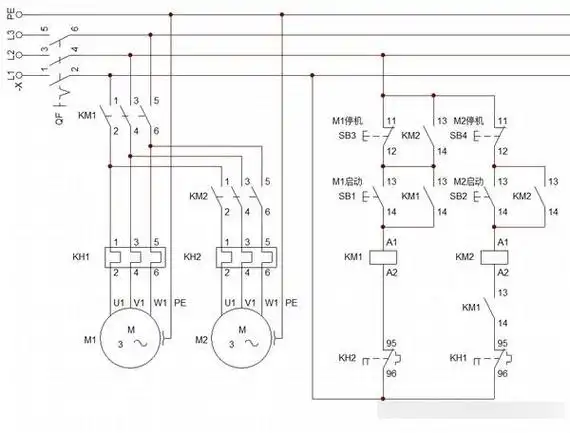
三款经典的顺序启停控制电路讲解,用处很大!
下载原图
相关图片
电动机顺序启动控制电路 有粉丝朋友叫我讲讲电动机顺序启动控制电路!
一文详解三相异步电动机的顺序控制电路-电子发烧友网
顺序启动逆序停止线路原理图!
顺序控制线路安装及调试工厂电气控制技术
三相电动机控制电路实现顺序控制电路图解 三相电动机控制电路实现
三相异步电动机顺序控制2
为你推荐
狗汪星人看我干嘛gif动图_动态图_表情包下载_soogif
可爱少女心小女孩简笔画
整蛊专家整蛊专家坦白不是他儿子父亲以为是女儿太搞笑了
杨鸣绯闻女友怀孕曝光!临产在即,4年同居秘辛引网友热议:离谱
今天,党旗在我们心中挺立
无尘青岛尘霸cb150-9b多功能地板切割机木工台锯电锯其他类型电锯
重庆通用航空产业集团机场有限公司
哆啦a梦情侣头像