图知网
搜索
首页
热门推荐
图片分类
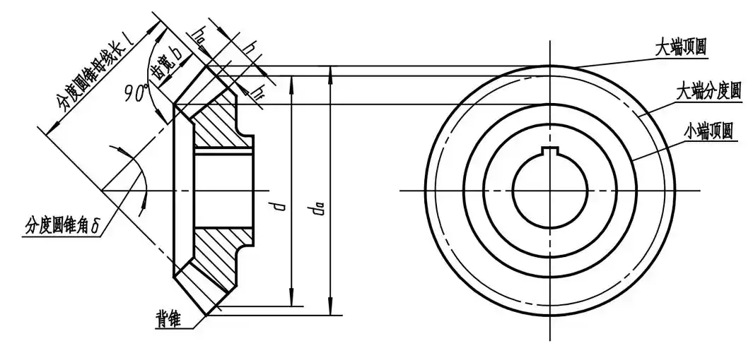
2-2003机械制图 齿轮表示法
下载原图
相关图片
齿轮的几何要素与规定画法 - 文稿网
机械设计齿轮怎么画?
关于单个直齿圆柱齿轮及其啮合的画法正确的是
cad齿轮怎么画求解谢谢.
高等教育 工学 全套机械制图教学课件-25_齿轮ppt 齿轮啮合画法 两个
齿轮零件图机械制图中求主动齿轮零件图标注解释分析技术
为你推荐
皮卡丘头像合集(122张) 多张皮卡丘头像最萌可爱图片_动漫头像_头像屋
188 - 堆糖,美图壁纸兴趣社区
硬笔书法作品格式
2017年5月9日 11:53 关注 清新 摄影 壁纸 美图 锁屏 收藏
金陵##美在金陵##江苏赏花地图##行摄江苏##寻找江苏最美风景##南京
电锯人蕾塞
哪吒降妖记 小龙女 吴佳怡
01s302雨水斗