图知网
搜索
首页
热门推荐
图片分类
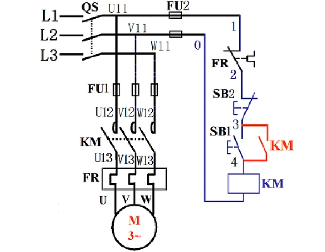
三相异步电动机正反转控制电路见附图.
下载原图
相关图片
三相异步电动机正反转实物接线图!
三相异步电动机的 降压启动控制线路
三相异步电动机单向连续运行控制电路图
110kw的三相异步电动机的接线图谁有
三相异步电动机的接法与星三角起动 b 电动机定子绕组y,△接法接线盒
三相异步电动机手动正反转控制电路
为你推荐
【刺客伍六七/in the end】-从今天开始,你就是七大暗影刺客之一,代号
影后郑裕玲分手时把对方赶出豪宅如今的她证实周润发没说错
安装元气桌面,海量壁纸一键设置尺寸:1920x1080体积:0.
设计灵感胎毛刘海搭配超短发
jk格柄/小物/格裙/样机
预订 source versus residence: problems arising from
用制作手抄报的方式,表达缅怀之意,愿英雄们浩气长存,永垂不朽!
假尖锐湿疣白醋测试图片_有来医生