图知网
搜索
首页
热门推荐
图片分类
cx20电路图-1
下载原图
相关图片
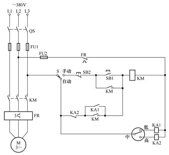
ps:电路图是我画的,可能有不专业的地方,望大家多多指点. l6 l" e!
x62w万能铣床电气原理图
28例电气自动控制电路图,都是干货,快收藏吧!
1-4 电动机控制线路系统图
电路图mp3电路图
变电所内电能计量回路二次电压回路自动切换系统
为你推荐
绅士成熟正装男头像图片 成熟稳重风格的头像
"辽宁"号航母编队
动漫人物女生可爱少女心简笔画
沈月这一身汉服穿出了浓烈的古风网友快去拍古装戏吧
女生头像高冷霸气超拽侧脸
谁能帮我把 我爱你 翻译成藏文?
句句祝福暖人心——枣强县第四小学一年级学生制作元旦小贺卡
10道智力测试听说做对5道,智商就有140!