图知网
搜索
首页
热门推荐
图片分类
斑胸田鸡
下载原图
相关图片
亨岛田鸡
湖南黑斑蛙青蛙,成品商品青蛙,野生青蛙田鸡,湖南青蛙养殖基地-益阳市
五黑鸡,河田鸡,茶花鸡pk
野生田鸡
法拉盛燥起来7869夜宵必点干锅田鸡60
小田鸡指名亚种
为你推荐
黑白高冷成熟御姐头像图片
壁纸|抖音热门潮图壁纸
鲲真实图片吓死人了:体型巨大(神话传说中的大鱼)_奇趣解密网
复古改革开放40周年海报
领养坐标上海的英短蓝虎斑找富养家庭
无证骑士这不是赢不赢得了的问题而是我必须站在这里和你战斗
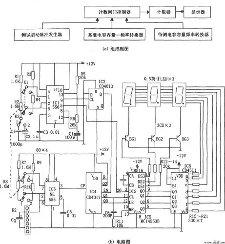
宽量程数字式电容测量仪(ne555,cd4017,mc14553b)