图知网
搜索
首页
热门推荐
图片分类
杭州西湖简笔画教程
下载原图
相关图片
西湖集贤亭
西湖简笔画 西湖简笔画 儿童
杭州西湖国潮建筑
三潭印月简笔画图片小白游历记之简笔画线描城市篇杭州幼儿简笔画西湖
杭州西湖美景彩色儿童简笔画
杭州西湖美景简笔画
为你推荐
碧蓝航线 企业.#企业#碧蓝航线 - 抖音
镭射光微信纯文字皮肤图片大全 也许爱情是最残酷的游戏-带字皮肤
《新闻联播 - 片头曲》,原声带(六线谱 吉他谱吉他谱 第6页
火石榴影业(北京)有限公司联合承制,徐超导演的犯罪剧情片《六连煞》
众乐康健狼毒抑菌喷剂脚丫净脱皮瘙痒脚臭烂脚外用抑菌喷雾
有没有夏目友人帐的清晰壁纸推荐? - 知乎
徐州沛县12岁男孩溺水身亡,打捞四个小时
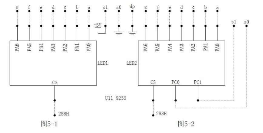
七段数码管