图知网
搜索
首页
热门推荐
图片分类
交流发电机原理示意图
下载原图
相关图片
双速电机控制电路
电路 定子中放三个线圈: 三线圈空间位置 o各差120 转子装有磁极并以
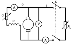
并励发电机的自励和运行特性解决方案华强电子网
并励发电机外特性曲线: u-i曲线,转速n和励磁电流为常数时发电机端
自同期并网控制电路_原理图论坛_单片机电路论坛_mcu资讯论坛
一种三相交流电机的启动电路
为你推荐
经典的公交让座公益广告词
假设马努-吉诺比利当年没有被马刺选中,而是被其他球队选中,在你看来
2020年日历表(周一起始)
欧洲轻奢品牌tous桃丝熊玛瑙泰迪熊925纯银镀18k金吊坠小熊链坠
3个原因导致肚腩凸显减掉肚子的2个方法让小腹变平坦
小朋友丰盛的午餐简笔画步骤图
部编三年级下册第28课《枣核》内容归纳整理
3橡皮章是高达巴巴托斯,给同学的高达巴巴托斯二次元