图知网
搜索
首页
热门推荐
图片分类
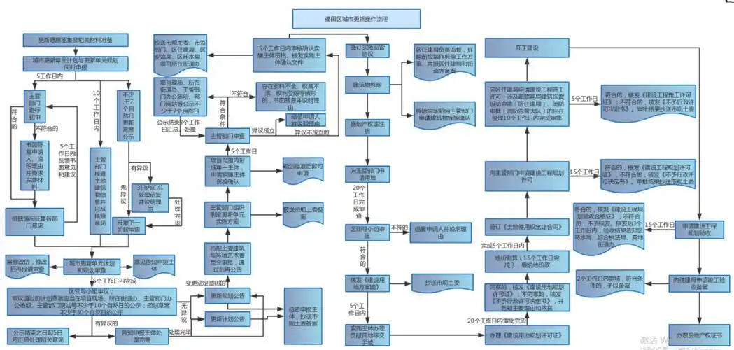
全网最全一文读懂深圳旧改回迁房操作流程
下载原图
相关图片
黄埔十年旧改血泪史丨告诉我们村民该如何做选择
旧城改造操作流程图 - 副本
最新海南省城建老旧小区改造工作流程来了
深圳旧改流程图深圳城市更新流程图深圳各区旧改流程图解
如皋市老旧小区改造工作流程图
棚户区改造工作流程图
为你推荐
红岩铸丰碑 英雄启后人——高新二小六(3)班《红岩》整本书阅读活动
回顾焦俊艳:被亲爹吐槽太土,出道至今无绯闻,至今仍
纯爱浪漫情侣图片_杨紫马天宇一见倾心
火影忍者中让人难以接受的5个设定村民没有脑子小樱拳打辉夜
猫感冒or鼻支盐酸多西环素片
黑塔利亚 亲子分
200多款三八女王38妇女节女神创意促销活动宣传海报模板展板psd设计
清新养眼绿色植物高清桌面壁纸