图知网
搜索
首页
热门推荐
图片分类
五原县胜丰镇灯笼红香瓜上市啦.
下载原图
相关图片
红瓜属於攀缘性草本 单叶互
红瓜
红色, 水果, 西瓜, 甜点, 瓜, 水果, 食物
红色有刺,比拳头大些,藤和叶子像丝瓜.请看图
纹理.
山东悠然网纹红心瓜约1.4kg
为你推荐
人死后身体变化的恐怖过程
农家素鸡翅豆制品干货人造肉包邮免运费火锅麻辣烫食材
这部泰国百合剧,看完像是吃了一颗糖
l 贺峻霖 l 181222tf家族运动会 贺峻霖射箭
疑犯追踪s507肖根cut
开业啦~8915坐标:迷你椰·泰式大排档(momopark店)位于momopark负
十殿阎王画像卷轴画 水陆道场做法丝绸画 佛教挂画道场装饰画包邮
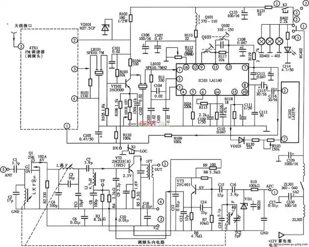
解析桑塔纳轿车配置凯歌牌4b20c型汽车音响收音调谐中放电路图