图知网
搜索
首页
热门推荐
图片分类
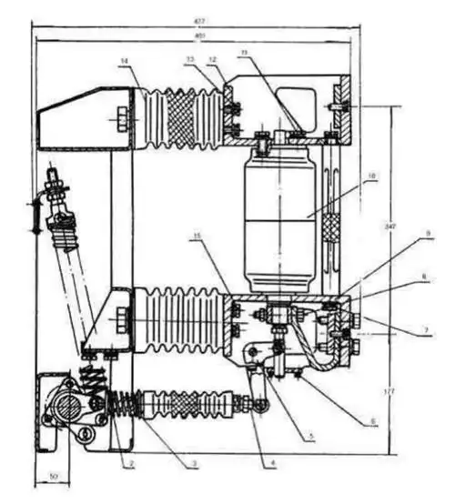
断路器的结构和工作原理
下载原图
相关图片
低压断路器结构和脱扣器工作原理
低压断路器的组成及分类,涨知识
小型断路器内部结构及功能说明
低压断路器也称为自动空气开关,可用来接通和分断负载电路,也可用来
真空断路器结构简图详解,民熔电气专家三分钟带你快速了解
低压断路器(自动空气开关)的功能和特点及自动空气在
为你推荐
如何评价林俊杰新歌staywithyou
巨兵长城传:鹿爹真是太暖了,小野有这样一个爹,真是太幸福了
男星早期青涩照:胡歌令人怀念,杨洋和李易峰成名前后变化很明显_时期
"fight off all the negatives, the worries and the doubtsand don
吉野顺平
87版经典红楼梦金陵十二钗
美国陶氏化学中国石化高桥化学埃尼化工埃克森美孚化工朗盛化工美国
tweens in trouble: good boys feels like a superbad reboot