图知网
搜索
首页
热门推荐
图片分类
分享一款百搭的硅藻泥米洞石工艺
下载原图
相关图片
隧道工程质量通病与防治(图文丰富)
洞口边仰坡施工工艺流程图
建筑识图_详图介绍1ppt
火电建设工程施工工艺示范手册 135
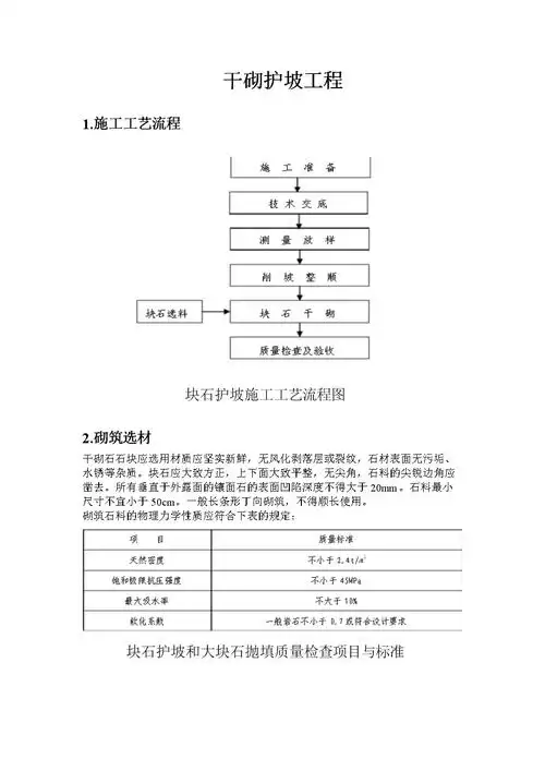
干砌石护坡施工工艺精选.doc
米洞石施工工艺
为你推荐
古力娜扎最新出席活动美照,这身穿搭时尚感十足,戴着头纱嘟嘴卖萌比心
帅大叔
亮剑同样是柱子死老版很突然新版不忍于是加了这样的戏
欧美长头发男影星发型,中长发图片,发型图片
【龙珠手绘】【完美自在极意功】马克笔手绘
超酷漫画男生帅气冷血图片头像
脾气暴躁的人,学会这些,让你远离负面情绪
看图写话之《堆雪人》范文 小练笔 看图写话之《堆雪人》范文 小练笔