图知网
搜索
首页
热门推荐
图片分类
王者荣耀司马懿动漫简笔画
下载原图
相关图片
素材,三国无双,动漫,插画,游戏司马懿
司马专场
司马出山
军师司马懿小漫画
曦王者荣耀司马懿卡通动漫头像
三国演义
为你推荐
你见过最迷人的锁骨##王源大主宰
围观28岁还未成年的张末回到17岁的倪妮
一年内包揽网球四大满贯冠军 | 网坛传奇罗德·拉沃尔_赛——拉沃尔
北伐军在汀泗桥和贺胜桥取得胜利,这是北伐战争的重要一战
现代大白鲨 与 史前巨齿鲨,提醒对比 | 欧美电影,有以(幸存的)巨齿鲨
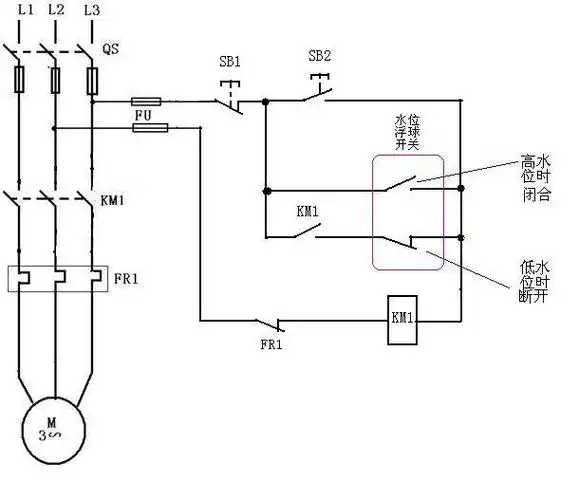
求教手动和用液位继电器控制控制潜水泵排水电路图?
亚克力鱼缸安全吗.
"hospitalized" is the concern, not the increase in cases of co