图知网
搜索
首页
热门推荐
图片分类
各大媒体参观洋河酒厂
下载原图
相关图片
各大媒体参观洋河酒厂
一组开年"抓拍",带你看热气腾腾的洋河_梦想_酿造_营销
洋河酒厂31连跨酿酒厂房
洋河 美女泉嫁接天蓝之梦
洋河酒厂之酿酒车间2015123
展馆游毕,在讲解员晓敏的带领下,我们走进了包装车间,远远的能看到很
为你推荐
有人爆出王一博中学丑照,网友:"王一博中学在韩国!"_照片
天龙八部2
多人头像卡通人物
中国95步枪5.8口径真的能用美俄子弹?有人真试过.
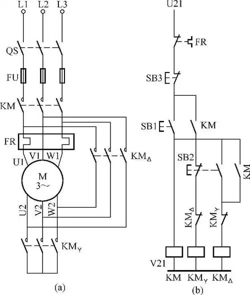
(b)控制电路 当三相异步电动机容量较大(大于10kw)时,因启动电流较
书本卡通简笔画彩色
女孩环保蓬蓬公主塑料袋手工手工制制作婚纱女童儿童演出服
咒术回战:乙骨里香全面解析,爱情是力量来源